FFMG系列燃气燃烧器
FFMG系列燃气燃烧器是一款使用寿命长, 应用范围广的燃烧器。可用于连续/间断的生产操作,并且适合于在背压条件下工作,喷嘴的功率范围从650kw-25,500kw。FFMG燃气喷嘴可以燃烧热容量在2350kcal/nm³-9,400kcal/nm³的多种天然气、焦炉煤气和混合燃气。火焰的形状有开放式火焰、收敛式火焰、锥形火焰。
FFMG燃气喷嘴
是一款导流板式燃烧器,它为低压空气工作而设计,其应用范围包括钢铁加热炉,回转窑,石膏炉,空气加热器,焚烧炉等。可选择导流板材料有两种型号:不锈钢和耐火材料,温度可分别达到1150℃和1550℃。可采用预热空气,1100和1200系列的预热空气温度可达到430℃。3100系列的预热温度可达650℃。
燃料调节比为8:1
如果过量空气足够,调节比会更大。供给空气压力为3.5kpa,供给燃气压力为1.7kpa,所有的烧嘴都能够利用火花式点火器来点火,并可用紫外检测器来检测火焰。开放式设计的烧嘴能在热炉膛内直接点火。
特点:
1)可在低压空气压力下运行 2)电火花点火器直接点火 3)导流板可选用不锈钢或耐火材料 4)预热空气温度可达650℃ 5)较宽的空气/燃油调节比 6)收敛型喷嘴提供较高火焰速度和较好的热效率 7)开放式设计可由热炉膛直接点火
FFMG烧嘴功率表(天然气型)
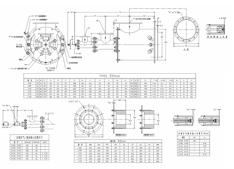
11XX=1100系列-不锈钢导流板 21XX=2100 系列-耐火材料导流板 31XX=3100系列-耐火材料导流板(插入隔热件)
| 烧嘴型号 |
主空气流量 (m³/h) |
总空气流量 (m³/h) |
天然气流量 (m³/h) |
功率 (kw) |
火焰长度 (mm) |
火焰直径 (mm) |
| FFMG_104 | 623 | 623 | 62 | 645 | 1520 | 300 |
| FFMG_106 | 1388 | 1388 | 139 | 1436 | 2290 | 610 |
| FFMG_108 | 2492 | 2492 | 249 | 2579 | 2740 | 1070 |
| FFMG_110 | 3852 | 3852 | 385 | 3986 | 3660 | 1520 |
| FFMG_112 | 5608 | 5608 | 561 | 5803 | 3960 | 1520 |
| FFMG_114 | 7647 | 7647 | 765 | 7914 | 4270 | 1220 |
| FFMG_118 | 12575 | 12575 | 1257 | 13013 | 6100 | 1200 |
| FFMG_124 | 24639 | 24639 | 2464 | 25499 | 7920 | 1520 |
备注:空气温度为37.8℃,海拔高度为0m。天然气热容量为8897Kcal/m³(比重0.60),燃气压力为1.7Kpa。燃烧天然气时,燃料调节比达8:1,过量空气足够时更大。
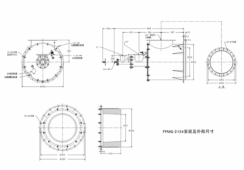
安装及外形尺寸

FFMG-106-118安装及外形尺寸






